В избранное
В данной выпускной квалификационной работе представлен проект системы автономного теплоснабжения многоквартирного жилого дома с использованием тепловых насосов. Рассмотрены несколько вариантов компоновок оборудования: первый вариант предполагает использование геотермальных тепловых насосов типа «грунт-вода», второй вариант – использование воздушных тепловых насосов типа «воздух-вода», третий вариант – комбинированную схему совместного использования геотермальных тепловых насосов и воздушных тепловых насосов.
Выполнен расчет и произведён выбор основного и вспомогательного оборудования первичного и вторичного контуров, определено потребление электроэнергии на выработку тепла для разных вариантов компоновки. Предложен оптимальный вариант компоновки оборудования для данного проекта. Так же в работе проведено технико-экономическое обоснование проекта, дана оценка экологичности предлагаемой системы теплоснабжения и предложены мероприятия по обеспечению безопасности жизнедеятельности при использовании теплонасосных установок, предусмотренных проектом.
В состав выпускной квалификационной работы входят: пояснительная записка с иллюстрациями, диаграммами и таблицами. В графическую часть проекта входят 7 листов формата А1. Пояснительная часть содержит: листов – 114, таблиц – 41, рисунков – 25, приложения – 4, список литературы – 30 наименований.
Содержание
Введение
1 Технико-экономическое обоснование проекта
1.2 Определение расчетных тепловых нагрузок жилого дома
1.3 Анализ расчетных тепловых нагрузок
1.4 Теплонасосная установка: понятие, описание, принцип действия
1.4.1 Воздушные тепловые насосы
1.4.2 Грунтовые тепловые насосы
1.5 Выбор теплового насоса
2 Тепломеханические расчеты
2.1 Режимы работы тепловых насосов
2.2 Первый вариант компановки системы теплоснабжения
2.2.1 Расчёт и выбор оборудования первичного контура
2.2.2 Расчет и выбор оборудования вторичного контура
2.2.3 Определение потребления электроэнергии для первого варианта компоновки
2.3 Второй вариант компоновки системы теплоснабжения
2.3.1 Определение размеров соединительных труб
2.3.2. Проектирование защиты от шума
2.3.3 Определение потребления электроэнергии для первого варианта компоновки
2.4 Третий вариант компоновки системы теплоснабжения
2.4.1 Расчет и выбор оборудования первичного контура
2.4.2 Расчет и выбор оборудования вторичного контура
2.4.3 Выбор воздушного теплового насоса
2.4.4 Определение потребления электроэнергии для третьего варианта компоновки
3 Экономическая эффективность проекта
3.1 Потребление электроэнергии для разных вариантов компоновки.
3.2 Первый вариант компоновки
3.2.1 Оценка экономической эффективности
3.2.2 Оценка экономичности проекта
3.3 Второй вариант компоновки
3.3.1 Оценка экономической эффективности
3.3.2 Оценка экономичности проекта
3.4 Третий вариант компоновки
3.4.1 Оценка экономической эффективности
3.4.2 Оценка экономичности проекта
4 Обеспечение безопасности жизнедеятельности
4.1 Опасные и вредные производственные факторы
4.2 Обеспечение безопасности технологического процесса при эксплуатации системы теплоснабжения с возобновляемыми источниками энергии
4.3 Обеспечение безопасности технологического процесса при эксплуатации первичного контура тепловых насосов
4.4 Обеспечение безопасности технологического процесса при эксплуатации теплового насоса
4.5 Обеспечение безопасности технологического процесса при эксплуатации системы горячего водоснабжения
4.6 Охрана труда
4.7 Пожарная безопасность
5 Экология
5.1 Экологичность теплонасосной установки
5.2 Тенденции в развитии тепловых насосов
5.3 Выбросы в атмосферу
Заключение
Список использованной литературы
Приложение
Чертежи
Генеральный план (формат А1, pdf)
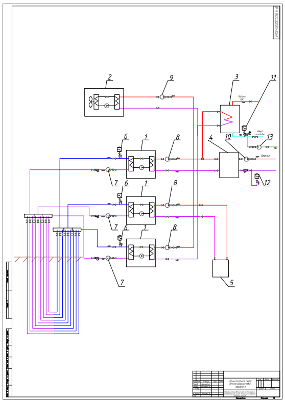
Принципиальная схема теплоснабжения многоквартирного жилого дома, вариант №1 (формат А1, pdf)
Принципиальная схема теплоснабжения многоквартирного жилого дома, вариант №2 (формат А1, pdf)
Принципиальная схема теплоснабжения многоквартирного жилого дома, вариант №3 (формат А1, pdf)
Среднее потребление электроэнергии на отопление и ГВС (формат А1, pdf)
Технико-экономические показатели проекта (формат А1, pdf)
Компоновка оборудования в теплогенераторной (формат А1, pdf)
Проект системы автономного теплоснабжения многоквартирного жилого дома с использованием тепловых насосов. Дипломный проект. Образец электронного документа.
- 22500 руб.
Артикул:
CN1179
- Есть в наличии
В данной выпускной квалификационной работе представлен проект системы автономного теплоснабжения многоквартирного жилого дома с использованием тепловых насосов. Рассмотрены несколько вариантов компоновок оборудования: первый вариант предполагает использование геотермальных тепловых насосов типа «грунт-вода», второй вариант – использование воздушных тепловых насосов типа «воздух-вода», третий вариант – комбинированную схему совместного использования геотермальных тепловых насосов и воздушных тепловых насосов.
Выполнен расчет и произведён выбор основного и вспомогательного оборудования первичного и вторичного контуров, определено потребление электроэнергии на выработку тепла для разных вариантов компоновки. Предложен оптимальный вариант компоновки оборудования для данного проекта. Так же в работе проведено технико-экономическое обоснование проекта, дана оценка экологичности предлагаемой системы теплоснабжения и предложены мероприятия по обеспечению безопасности жизнедеятельности при использовании теплонасосных установок, предусмотренных проектом.
В состав выпускной квалификационной работы входят: пояснительная записка с иллюстрациями, диаграммами и таблицами. В графическую часть проекта входят 7 листов формата А1. Пояснительная часть содержит: листов – 114, таблиц – 41, рисунков – 25, приложения – 4, список литературы – 30 наименований.
Содержание
Введение
1 Технико-экономическое обоснование проекта
1.2 Определение расчетных тепловых нагрузок жилого дома
1.3 Анализ расчетных тепловых нагрузок
1.4 Теплонасосная установка: понятие, описание, принцип действия
1.4.1 Воздушные тепловые насосы
1.4.2 Грунтовые тепловые насосы
1.5 Выбор теплового насоса
2 Тепломеханические расчеты
2.1 Режимы работы тепловых насосов
2.2 Первый вариант компановки системы теплоснабжения
2.2.1 Расчёт и выбор оборудования первичного контура
2.2.2 Расчет и выбор оборудования вторичного контура
2.2.3 Определение потребления электроэнергии для первого варианта компоновки
2.3 Второй вариант компоновки системы теплоснабжения
2.3.1 Определение размеров соединительных труб
2.3.2. Проектирование защиты от шума
2.3.3 Определение потребления электроэнергии для первого варианта компоновки
2.4 Третий вариант компоновки системы теплоснабжения
2.4.1 Расчет и выбор оборудования первичного контура
2.4.2 Расчет и выбор оборудования вторичного контура
2.4.3 Выбор воздушного теплового насоса
2.4.4 Определение потребления электроэнергии для третьего варианта компоновки
3 Экономическая эффективность проекта
3.1 Потребление электроэнергии для разных вариантов компоновки.
3.2 Первый вариант компоновки
3.2.1 Оценка экономической эффективности
3.2.2 Оценка экономичности проекта
3.3 Второй вариант компоновки
3.3.1 Оценка экономической эффективности
3.3.2 Оценка экономичности проекта
3.4 Третий вариант компоновки
3.4.1 Оценка экономической эффективности
3.4.2 Оценка экономичности проекта
4 Обеспечение безопасности жизнедеятельности
4.1 Опасные и вредные производственные факторы
4.2 Обеспечение безопасности технологического процесса при эксплуатации системы теплоснабжения с возобновляемыми источниками энергии
4.3 Обеспечение безопасности технологического процесса при эксплуатации первичного контура тепловых насосов
4.4 Обеспечение безопасности технологического процесса при эксплуатации теплового насоса
4.5 Обеспечение безопасности технологического процесса при эксплуатации системы горячего водоснабжения
4.6 Охрана труда
4.7 Пожарная безопасность
5 Экология
5.1 Экологичность теплонасосной установки
5.2 Тенденции в развитии тепловых насосов
5.3 Выбросы в атмосферу
Заключение
Список использованной литературы
Приложение
Чертежи
Генеральный план (формат А1, pdf)
Принципиальная схема теплоснабжения многоквартирного жилого дома, вариант №1 (формат А1, pdf)
Принципиальная схема теплоснабжения многоквартирного жилого дома, вариант №2 (формат А1, pdf)
Принципиальная схема теплоснабжения многоквартирного жилого дома, вариант №3 (формат А1, pdf)
Среднее потребление электроэнергии на отопление и ГВС (формат А1, pdf)
Технико-экономические показатели проекта (формат А1, pdf)
Компоновка оборудования в теплогенераторной (формат А1, pdf)
Отзывы покупателей