Заказать бесплатный звонок

Корзина товаров
  • Всего:
  • 0 шт.
  • 0 руб.
Корзина товаров
  • Всего:

Сопровождение. Подготовка комплекта документов для получения паспорта готовности к отопительному сезону

Оказание содействия потребителям тепловой энергии  (школам, учебным заведениям, дошкольным учреждениям) в подготовке полного комплекта документов ("под ключ") для получения паспорта готовности к отопительному периоду в соответствии с требованиями Приказа № 2234 от 13 ноября 2024 г. "Об утверждении Правил обеспечения готовности к отопительному периоду и Порядка проведения оценки обеспечения готовности к отопительному периоду".

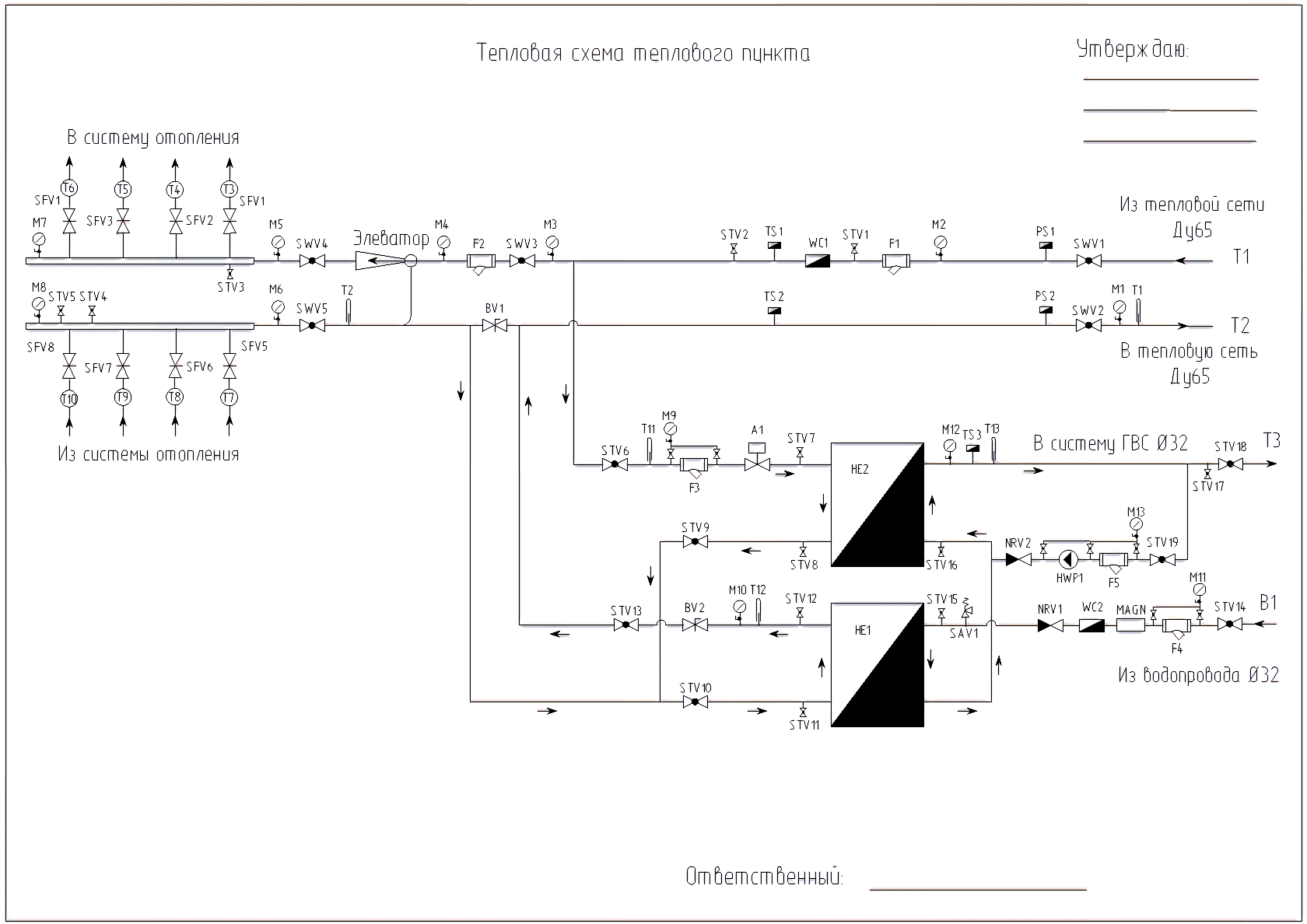
Обеспечим проверку имеющейся в организации документации на предмет оценки готовности, проведем осмотр тепловых энергоустановок,  разработаем недостающие документы (актуализируем тепловую схему теплового пункта, спецификацию, паспорт теплового пункта, производственные и эксплуатационные инструкции, приказы, справки и т.д.). Направим (при необходимости) письма на вызов представителя теплоснабжающей организации для осмотра узлов учета тепловой энергии.  Выполним подготовку  "под ключ"  комплекта документов для получения паспора готовности  к отопительному периоду.  Направим документацию в установленный срок для проверки в причастные (в т.ч. теплоснабжающие) организации с отметкой вх. №. 

 Примеры работ (актуализирована тепловая схема теплового пункта и спецификация)


 Перечень документации, необходимой для получения паспорта готовности к отопительному периоду (скачать).

 Срок разработки и формирования комплекта документов от 5 рабочих дней.

 Стоимость услуги от 16 000 руб. (без НДС).

Фильтр
Сортировать по
  • руб.
Cбросить
В избранное
Подготовка комплекта документов для получения паспорта готовности к отопительному периоду Код: CN1181 Есть в наличии
(5/1)
  • 16000 руб.
Сопровождение. Подготовка комплекта документов для получения паспорта гот...
Наверх
Избранное (1)